
蒝鈦峰瓦斯燃氣燃燒機說明書規格尺吋說明
LG200 比例燃燒機主體部位說明

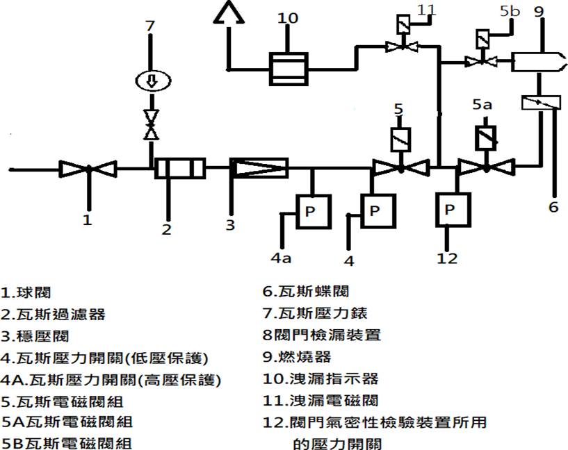
蒝鈦峰說明書之燃燒系統-瓦斯系統


燃燒機故障時所反應的故障原因
|
流程 |
動作 |
設備 |
正常 |
異常原因 |
|
01 |
電源中斷 |
控制箱 |
當電源回復正常時.燃燒機自行重新啟動.重跑程序 |
電源中斷.所有設備完全停止 |
|
02 |
無火燄及假象火燄 |
UV 電眼 |
在配用 UV 電眼的火燄監視系統裡.這不可能發生.多數是由於火燄監視性能上的故障.燃燒機停止操作.亮起故障燈 |
UV 電眼之火燄監視性能上的故障.燃燒機停止操作.亮起故障燈 |
|
03 |
燃燒機無法啟動 |
低風壓保險開關 |
如果低風壓保險開關裡的接觸點在未啟動前是熔合一起不能分開.燃燒機不能啟動 |
低風壓保險開關之接觸點.不良造成燃燒機無法啟動 |
|
04 |
感應不到風風壓或低於調整 |
低風壓保險開關 |
如果低風壓保險開關感應丕到風壓或風壓低於保險開關上的低於低風壓的調整值.無論這發生在吹風程序當中或在以後的燃燒過程.燃燒機都會停止操作.亮起故障燈 |
低風壓保險開關感應風壓不足.低於低風壓保險開關調整值 造成故障燈亮起 |
|
05 |
未收到傳回火燄信號 |
UV 電眼 |
如果在電磁閥通電的三秒後.在控制器仍未收到由 UV 電眼傳回的火燄信號.燃燒機停止操作. |
UV 電眼未收到火燄信號 無過電.或髒污或無火燄產生 |
|
06 |
火燄信號突然消失 |
UV 電眼 |
如果燃燒過程裡.火燄信號突然消失.燃燒機止操作.亮起故障燈 |
UV 電眼未收到火燄信號 無過電.或髒污或無火燄產生 |
|
|
|
|
|
燃料中斷 |
|
按控制器製造廠的設計.為安全起見.每隔 24 小時需將燃燒機開動直到正常燃燒後將燃燒機關掉.以觀察各程序是否操作正常 |
||||

爐頭安裝尺寸:(單位:mm 毫米)
|
Model |
I1 |
D1 |
D2 |
D3 |
D4 |
d5 |
|
|
LG-200 |
230 |
250 |
290 |
298 |
260 |
M12 |
|
|
The gap
between combustion head
and refractory must be filled with flexible insulating raaterial do not make solid |
燃燒頭和耐火材料之間的間隙必須填充柔性絕緣材料.不會其固體化 |
||||||
開動燃燒機前應準備之工作 (一)步驟
(1) 測漏程序
先將燃氣開關關上.將橡皮氣泵接駁到電磁閥組合總成的式壓嘴(PA)位置.氣泵進空氣直接至氣壓計上的讀數選 150 毫巴.稍稍等候看讀數是否下降.如讀數下降即表示有漏氣.而可塗抹一層薄薄的肥皂泡以找出漏氣的位置.重新旋緊後再進行以上的測漏程序.測試完畢後.移去橡皮氣泵.重新旋緊試壓嘴(PA)的螺絲.整組供氣管道的其他立即應按政府要求的標準試壓和測漏。
(2)
電氣功能測試(以控制器為準):
電源必須按接線圈正確按裝。
注意:1.必需接地.火線(L)和地線(N)不可互換
先將燃氣開關關上.將低氣壓保險開關暫時短路(註 1)
接通電源.約八秒後燃燒機馬達啟動.風門伺服馬達將燃燒機風門檔板轉向低段位置.吹風程序開始.在正常情形下.電磁氣閥的低段線圈即通電而氣閥輸出燃燒機.但在進行電氣功能測試.由於燃氣開關己被關上.電磁閥不能輸出燃氣.約三秒鐘後.控制器收不到傳回來的火燄信號.燃燒機停止操作.亮起故障燈.這項測試的目的是測試燃燒機在吹風程序和點火程序裡是否操作正常.最重要是收不到火燄信號時.控制器能停止燃燒機的操作.確保安全.
測試完畢後.切斷電源.拿掉低氣壓開關上的短路電線
(註 1)燃燒機裝有低氣壓保險開關.在沒有燃氣供應之下根本無法開動.所以在進行電氣功能之前先將低氣壓保險制動暫時短路
(3)
排氣
在正式開動燃燒機前.須將氣管道裡的空氣先行排出. 請將電磁閥組合總成上的試壓嘴.旋鬆以排出空氣.由於排出的空氣會混合了燃氣.所以須用橡皮管導至室外空曠地方.排氣後旋緊試壓嘴
(4)
進氣壓力須在 200~500 MMAQ
(二)燃燒機在經過()以上的程序後.可準備作正式的開動.在開動前.請注意以下的事項: (1)如裝有例如恆溫器控.請留意是否適當地調整
(2)如煙囟裝有煙囟門.請留意是否適當的開啟.在某些烘爐如果是裝有抽風扇的.請注意風扇是否開動 (3)經過電氣功能測試之後.請注意
A.
有否重新打開燃氣開關
B. 低氣壓保險開關上的臨時短路電線是否被拿掉? C.是否按下控制器上的故障燈按鈕?
(4)瓦斯壓力 200-500MMAQ
一切檢查妥當後.接通電源.稍後吹風程序開始.接著是點火程序燃燒機應可以隨即噴出火燄而開始燃燒.
燃燒機於首次噴火燄後.應作出相應的調整以配合燃燒。 (三)當燃燒機初次噴火燄後.應作出以下的調整
(1) 概說
A.
電磁閥流量的調整(包括起動氣量的調整)
B.
瓦斯壓力閥調整
C.
抽取煙道廢氣以作分析 D.低風壓保險開關的調整 E.低氣壓保險開關的調整
(註)如果燃燒機開動而未能正常燃燒.未必表示有故障.可能是以下的原因: A.未能徹底的排出供氣管道裡的空氣
B.如果是使用液化氣而只是接達幾個氣瓶.則要特別留意所提供的燃氣量是否足 夠燃燒
C 在噴出火燄前.燃燒機只能作粗略的調整.在測試妥當和初次噴出火燄後才能按實際的環境作出較精確的調整.燃燒機在出廠時應己經過粗略的調整.在試燃時應能順利地噴出火燄.但仍或許有個別的例外.如果是電磁閥的流量或起動氣量調整過小.或瓦斯壓力閥調壓過低.又或者風門伺服馬達週整不適應等.都會影響燃燒機在試燃時.不能順利地噴出火燄
(2)
各週整如下:
燃燒機可在功率範圍按不同的需要調整大小火力.如果想增強火力.可以將電磁閥調整輸出大氣量.或將瓦斯壓力閥調整較高的壓力.再或者兩者同時進行.如果想減弱火力.則反之
電磁閥是和緩式開啟.即是說.在剛起動時只輸出部份燃氣.然後隨即才輸出全部的預調低段氣量.好處是當燃燒機用於較高內壓的爐膛時仍然能夠穩定而順暢地著地..起動時氣量的大小是看爐膛內實際環境而調整.一般來說.如果燃燒機在著火時能穩定而順暢地噴出火燄則起動氣量的調整己是大致適當。

流程圖
|
調整 |
||
|
電磁閥流量的調整(包括起動氣量的調整) |
(1)氣閥流量調整 低段火力 |
|
|
ve.4..B series
(see flg1) flow
rate adjustment .remove the cap
screw from top of the coil .place a socket head
wrench into the adjusment nut .turm wrench counter-clockwise to increase or clockwise to decrease flow rate .replace cap screw |
|
|
|
|
||
|
caution to ensure a safe
closing of the valves it is essential that voltage over the
terminals of operators is reduced to 0 volt NOTE the flow adjustment of the ve4 100 series
valves is at the bottom
of the valve ve 4... c series (see flg 2 and
3) the following characteristice can
be adjusted .flow rate .step pressure .opening speed improtant to ensure a satisfactory setting
of the valve
the pressure drop
over the valve should be at least
10% of the supply pressure or 2.5
mbar which ever is the greatest flow rate adjustment(see flg.2a
and 2b) .remove the cap from top of the coil by loosening both
screws .place a wrench on the adjustment hexagon nut .turn wrench counter-clockwise to increase or clockwise to decrease the flow
rate .replace cap on top of the coll step pressure adjustment (see flg. 2c) .remove the cap from top of the coll by loosening both screws .place a scres driver in the slot
of adjustment screw
which is sltuated in center
of the valve .turn screw driver counter-clockwise to increase or clockwise to .replace
cap on top of the coll opening speed adjustment (see flg 2d) .remove the cap from
top of the coll by loosening both screws .place a screw driver
in the slot
of the adjustment screw which is sltuated in
center of the valve .turn screw driver counter-clockwise to increase or clockwise to decrease step pressure .replace cap on top of the coll opening speed adjustment (see. Flg 2d) .remove the cap from
top of the coll by loosening both screws .place a screws
driver in the slot of the adjustment screw which is off ceter line .turn screw driver counter-clockwise to increase the
opening speed and theretor the time till full opining will decrease .turn screw driver clockwise to clecrease the opening speed and ther the time
till full opening will increae .replease cap on top of the coll final checkout of the installation set appllance in operation after
any adjustment and
observe several complete cycles to ensure that all bumer components function correcity |
|
英翻中
![]()
|
(2)入風量調整 使用 6mm 六角板手調整.順時針大風量.逆時針小風量.調整時注意圖片弧度的滑順 |
|
|
|
|
|
(3)低風壓保險開關的調整:用一字螺絲起子 b 的位置調整 |
|
|
|
|
燃燒機出現了異常發生之原因
|
狀況特徵 |
可能原因 |
|
1.燃燒機不開動. |
1.電源未接通.2.燃氣開關未打開.3.供應的燃氣壓力不足解決方法 |
|
但不亮起故障燈 |
1 檢查控制器是否穩當地插在插座上.其檢查電源接頭是有否鬆脫 |
|
|
2.檢查電源的保險絲.同時看看恆溫器上調整的溫度是否適當 |
|
|
3.控制器的看病.可能是低風壓保險開關上的接觸點在啟動前是熔合在一起 |
|
|
4.控制器有一項低電壓保護功能.當電壓降至 140~160 伏特是不會啟動 |
|
2.燃燒機不開動. |
1.控制器的毛病 |
|
亮起故障燈 |
2.是否燃燒機馬達不能啟動.除了不能啟動的原因是馬達的線圈或電容器可能損壞外. |
|
|
有可能是軸承問題.也有可能是燃燒機的進風口吸進了異物引致馬達損壞 |
|
|
注意如果故障燈是由燃燒機在上一次操作當中某些故障而亮起.則須考慮其他故障原因 |
|
3.燃燒機在吹風程序中斷操作 亮起故障燈 |
1. 會由於低風壓保險開關感應不到風壓或風壓太低.可能是低風壓保險開關的毛病.也許是燃燒機的通風口被異物封住了.或是燃燒機風扇積聚了太多污垢.引致風壓下降.或者是接駁低風壓保險開關的皮管斷了或鬆脫 2.
可能是控制器的毛病 |
|
4.吹風程序後.進入點火程序.而無電弧在點火電極前端產生 |
1. 點火用變壓器損壞.或接駁點火電極的電線斷了或電線插頭鬆脫了 2.
可能是點火電極附近積聚了污垢.而造成短路 3.
可能是控制器的毛病.沒有電壓供應側點火用的變壓器 4.
點火用變壓器的輸入電線在控制器插座裡的接線位鬆脫了 |
|
5.點火程序開始.燃燒機不能噴出火燄. 故障燈亮起 |
1.燃氣沒有輸出.原因或者電磁閥毛病(閥門無法開啟)這是少發生.或者線圈損壞) 2 電磁閥流量/啟動氣量或瓦斯壓力閥的調整不當引致沒有燃氣輸出 3.
控制器的毛病.沒有電壓供應給電磁閥的線圈 4.
燃燒機是按裝後第一次使用.須留意供氣管道裡的空氣是否己徹底排出 5 燃燒機不能噴出火燄.通常是不太容易分辨是點火電極不能點火還是電磁閥沒有燃氣 輸出.還有可能是有燃氣輸出但不能被點燃. 原因:風門伺服馬達的低段風門位置調整過大.或擴散盤推得太前.或電磁閥上的調整不當引致燃氣輸出太少.或點火電弧太小(點火電極棒的位置調整不當.或點火電壓部份流失.或點火用變壓器輸出的電壓不足).或在一些爐膛裡裝有抽風扇的熱風爐.須要特別留意臚膛裡有很高負值內壓.則在著火時有困難 |
|
6.燃燒機噴出火燄後.出現斷火,障燈未亮起.重啟後一樣情況未改變 |
所供應的燃氣量或壓力不足.雖在啟動時壓力足夠讓燃燒機開動點火.但在其燃燒機噴出火燄後.燃氣壓力急劇下降至低於低氣壓保險開關上的調整值.因燃燒機停止操作而其故障燈未亮起.當停止噴火後.燃氣壓力恢復上升.當升至高於低氣保險開關上的調壓時.燃燒機自動開動.解除 |
|
7.低段火力著火時有影響.火燄不穩定 |
由於燃氣量與助燃的空氣不配合.輸出的燃氣不是第一時間被點燃.就會出現以上的現象.請參看狀況特徵(5)的(6)段 如果火燄是不穩定而離開了擴散盤.火燄會燒不到電離棒.燃燒機會因此而不能繼續操作 |
|
8.燃燒機噴出火燄後.就停止操作.故障燈亮起 |
由於臚膛裡情形未必可以很清楚的觀察.狀況特徵(4)(5)(8)是不容易分辨.因為都是點火程序後不久就亮起故障燈.不過如果在爐膛的觀火眼可以看見燃燒機在開始噴火時火燄是正常的.其故障原因如 1. 沒有火燄信號交回給控制器.或交回的信號太小.可能原因是電離棒的位置沒有正確.前端未能被火燄燒到.或電離子棒與燃燒機之間短路(短路或由於積聚在電離棒上的污垢所引起.如果燃料是液化氣更要注意)或由電離棒傳遞回來的電流太小.量度的方法請參看面的另段介紹~~如何最度電離子棒傳回來的電流~~ 2.
燃燒機沒有接地或接地不良 3.
接駁電源時.火線(L)和中線(N)必須按接線圈的指示接駁到正確位置.如果火線和中 線互換就會出現這樣的狀況特徵 4.
點火電極的位置不正確.點火的電弧影響火燄信號的傳遞.如果經過重新調整後.問題還沒解決.可將點火用變壓器接駁在控制器插座裡的兩根輸入電線互換(就是.原來接駁 (7)和(N)的.改為接駁(N)與(7)或許可解決問題.不過這樣的情形很少發生 5.
可能是控制器的毛病 |
|
9 燃燒機不能轉換高段火力 |
1. 請注意火力選擇是否停留在高段位置 2.
可能是控制器的毛病 3.
可能是風門伺服馬達的毛病 4.
可能是電磁閥的高段閥門無法打開(這很少發生.或者是由於高段線圈損壞 5.
如果是電磁閥的高段流量調整太少而相對地高段風門調整過大.在轉換高段火力時會 導致火燄熄滅 6. 如果風門伺服馬達的黑色凸輪不是在紅色和橙色凸中間.而是在它們的外側.燃燒機將不能轉換高段火力 |
|
10.低段轉換高段火力時有影響 |
電磁閥的高段流量調整太少相對地高段風門的調整過大.轉換高段火力時輸出的燃氣不是第一時間被點燃 |
![]()

故障查核簡略圖
![]()
燃撓概不開動但不亮起故障燈
L竜源耒接通2a燃鋸開關耒打開3心供應的燃氧壓力不足
解決方法
l检查控制韩是否穫當地插在插座上釒其檢查竜源接頸是有否鬆脫
2. 檢查電源的係險絲朮同時春春恆溫器上調翌的溫度是杏適當
3.
控制器的看病a可能是
1氐風壓1杲險開關上的接
觸黠在啟動前是熔合在一起
4控制器有一項1屆竜壓
傈誤功能.當電壓降至
M0~l60伏特是不會啟動
1燃靼概不開動,亮起故障燈
L控制器印毛病
2.
是否燃焼槻馬達不能啟動』
3燃撓視的進風口吸進了異物引致馬達損培 注意如果故障燈是由燃焼棍在上一次操作當中
某些故障而亮起則須考盧其他故障原因
![]()
燃撓槻在吹風程序中斷操作亮起故障燈
L1屆風壓傈險開關戲應
不到風靨或風靨太1區
2燃撓機的通風口被異物封住了』
3燃燒槻風扇積聚了太多污垢月[致風靨下降 4接駙個風靨傈險開關的皮菅斷了或鬆脫
5可能是控制莊的毛病
進入莘火程序.而無竜弧在麒火竜極前端產生
L黠火用要靨器1鉭裹或接馼塈火竜極的竜線斷了或竜緤插頭鬆脫了
2麒火竜:極附近積聚了污垢用而造成痘路
3控制器的毛病
4沒有電産供應刨黠火用的要壓睇
5麒火用要壓器的輸入竜線在控制器插座裡的接線位鬆脫了
![]()
燃燒棍不能嗩出火燄a故障燈亮起
L燃乗沒有輸出.竜磁 問毛病(問門無法開啟] 2竜:磁閥流量I啟動鋸量
3瓦斯壓力閥的調整不當引致沒有燃蕪輸出 4控制器的毛病筮有竜壓供應
5供鋸菅道裡的空鋸是否己徹底排出
6麒火電極不能麒火或竜:磁閥沒有燃鋸輸出』 7風門伺服馬達的低段
風門位查調差過大或擴散盤推得太前或竜磁問上的調整不當引致燃無輸出太少或麒火竜弧太小或在一些爐膛裡裝有抽風扇的熱風爐.須要特別留意臚膛裡有徨南
鮚骯後常顯火故障燈末亮恙—宣中
1燃氚量或壓力不足
![]()
低段火力著火時有影饗』火燄不欞定
燃無量與助燃的空無不配合·輸出的燃氘不是第一時間被黒燃』就會出現以上的現象i請參看狀況特徵(5)的(6)段
如果火燄是不穩定而離
開了攘貽盤火燄會燒不到竜離棒為燃燒機會因此而不能繼瀆操作
燃燒槻噴出火燄1免就
淳止操作故障燈完忠
L沒有火燄信號交固給控制器互或交固的借號太小.
2電離棒的位葺沒有正確月前端未能被火燄燒到
3電離子棒與燃撓槻之間短路
4竜離棒博遞回來的竜流太小(考厙量度測量)
5燃撓槻沒有接地或接地不良
6接鄯竜源時』火線(L]和中線(N)必須按接線圈的指示接騌到正確位置
7酷火電極的位葺不正確
8可能是控制器的毛病
![]()
![]()
燃燒概不能
轉換高段火力
L是否悸留在高段位置 2才控制器的毛病
3.
風門伺服馬達的毛病
4可能是竜磁閥的高段問門無法打開
5電磁問的高段流量調翌太少而相對地高段風門調整過大.在轉換南段火力時會等致火燄熄滅 6風門伺服馬達的黑色凸輪不是在紅色和樘色凸中間f而是在它們的外側」麿燃焼機將不能轉換南
段火力
1屆段轉換高段火力時有
影菩
電磁問的高段流量調整太少相對地南段風門的睏整過大.轉換南段火力時輸出印燃氘不是第一時間被麒燃
燃燒槻縹常無緣無故的倖止操作
l如果故障燈不亮起燃乗壓力不夠或電原接線時而鬆脫或接觸不良.或控制器沒有穩営地插在插頭上互或可能是有恆溫莊的毛病A是供錯誤的訊號
1屆電壓f杲葭的功能釒営輸入電壓低至M0~l60
伏特的時候钅控制器會自動倖止燃撓概的操作.但不亮忠故障燈,
2如果故障熠完起可能是竜離棒博固的火燄
僧號太小』請參看狀況特徵(8)或控制器印毛病
風靨信號的問題I請參春狀況特徵(3}的(l)
段
男外.如果是部臨祖件接緤鬆脫或接觸不良,或縐件某組成元件的銲接口不牢固4也會出 現狀況特徵(U)的現象
則故障燈也許亮起 也許不完起虎檢查是何種組件出的毛病
附表三十五 構造檢查申請書
|
( |
)構造檢查申請書 |
|
|
編號: |
|
|||||
|
型 式 及 名 稱 |
|
傳 熱 面 積 |
m2 |
|||||||
|
最高使用壓力 |
Kg/㎝ 2 |
最 高 使 用 溫 度 |
℃ |
內 |
容 |
積 |
m3 |
|||
|
熔 接 檢 查打 印 號 碼 |
|
內容物名稱 有 無 毒 性 |
|
|||||||
|
受 檢 地 址 |
|
|
|
(聯絡人: (電 話: |
) ) |
|||||
|
希望受檢日期 |
中華民國 |
年 |
月 |
日 |
|
備 |
|
註 |
|
|
|
此致 (檢查機構全銜) 製造單位: 印 負 責 人: 印 地 址: 中 華 民 國 年 月 日 註:1.檢查機構所在地址。 2.本表括號部分,請依鍋爐、第一種壓力容器、高壓氣體特定設備、高壓氣體容器等種類填入一種。 |
||||||||||
附表三十六
鍋爐明細表 編號:
|
型 式 |
|
※ |
檢 查 |
合 |
格 戳 記 |
|||||||||||||||||||||||||||||
|
最 高 使 用 壓 力 |
kg/cm2 |
|
||||||||||||||||||||||||||||||||
|
最 大 蒸 發 量 |
t/hr |
|||||||||||||||||||||||||||||||||
|
鍋 爐 構 造 |
傳 熱 面 積 |
m2 |
||||||||||||||||||||||||||||||||
|
火 床 面 積 |
m2 |
燃燒室體積 |
m3 |
|||||||||||||||||||||||||||||||
|
管 板 (水 管) |
種 類 |
材 料 |
最大內徑 |
板 厚 |
||||||||||||||||||||||||||||||
|
|
|
㎜ |
㎜ |
|||||||||||||||||||||||||||||||
|
|
|
㎜ |
㎜ |
|||||||||||||||||||||||||||||||
|
|
種 類 |
材 料 |
最 大 內 徑 |
長 度 |
板 厚 |
|||||||||||||||||||||||||||||
|
胴 體 |
|
|
㎜ |
㎜ |
㎜ |
|||||||||||||||||||||||||||||
|
|
|
|
㎜ |
㎜ |
㎜ |
|||||||||||||||||||||||||||||
|
端 板 或 管 板 (煙 管) |
種 類 |
材 料 |
形 |
狀 |
|
曲緣 |
板 厚 |
補 強 |
||||||||||||||||||||||||||
|
內半徑 |
種 類 |
材 料 |
厚或徑 |
|||||||||||||||||||||||||||||||
|
|
|
|
㎜ |
㎜ |
|
|
㎜ |
|||||||||||||||||||||||||||
|
|
|
|
㎜ |
㎜ |
|
|
㎜ |
|||||||||||||||||||||||||||
|
爐 筒 或 火 室 |
種 類 |
材 料 |
形 狀 |
最 大 內 徑 |
最 小 內 徑 |
板 厚 |
||||||||||||||||||||||||||||
|
|
|
|
㎜ |
㎜ |
㎜ |
|||||||||||||||||||||||||||||
|
汽 室 |
材 料 |
最 大 內 徑 |
板 厚 |
冠 板 形 狀 |
曲緣內半徑 |
冠 板 厚 度 |
||||||||||||||||||||||||||||
|
|
㎜ |
㎜ |
|
㎜ |
㎜ |
|||||||||||||||||||||||||||||
|
胴體縱接頭種類及其效率 |
|
|||||||||||||||||||||||||||||||||
|
人孔、掃除孔、 |
種 類 |
尺 |
寸 |
數量 |
種 類 |
|
尺 |
寸 |
數量 |
種 類 |
尺 寸 |
數量 |
||||||||||||||||||||||
|
檢查孔 |
人 孔 |
㎜ |
|
掃除孔 |
㎜ |
|
檢查孔 |
㎜ |
|
|||||||||||||||||||||||||
|
水 管 或 煙 管 |
種 |
|
類 |
材 |
|
|
料 |
|
外 徑 |
管 厚 |
||||||||||||||||||||||||
|
|
|
㎜ |
㎜ |
|||||||||||||||||||||||||||||||
|
集 管 器 |
材 |
|
料 |
形 |
|
|
狀 |
|
內 徑 或 寬 × 高 |
孔 側 厚 度 |
||||||||||||||||||||||||
|
|
|
㎜ |
㎜ |
|||||||||||||||||||||||||||||||
|
過 熱 器 |
型 |
|
式 |
材 |
|
|
料 |
|
過 熱 器 管 外 徑 |
過熱器管厚度 |
||||||||||||||||||||||||
|
|
|
㎜ |
㎜ |
|||||||||||||||||||||||||||||||
|
節 煤 器 |
型 |
|
式 |
材 |
|
|
料 |
|
節 煤 器 管 外 徑 |
節煤器管厚度 |
||||||||||||||||||||||||
|
|
|
㎜ |
㎜ |
|||||||||||||||||||||||||||||||
|
|
種 |
|
類 |
型 |
|
|
式 |
|
閥 徑 |
數 量 |
||||||||||||||||||||||||
|
安 全 閥 |
|
|
㎜ |
|
||||||||||||||||||||||||||||||
|
|
|
|
㎜ |
|
||||||||||||||||||||||||||||||
|
|
種 |
|
類 |
|
|
數 |
|
|
量 |
|
玻 璃 管 內 徑 |
|||||||||||||||||||||||
|
水位測定裝置 |
|
|
㎜ |
|||||||||||||||||||||||||||||||
|
|
|
|
㎜ |
|||||||||||||||||||||||||||||||
|
有無自動控制裝置及其概要 |
|
|||||||||||||||||||||||||||||||||
|
製造廠及製造年月 |
民國 年 月製造 |
|||||||||||||||||||||||||||||||||
|
施工負責人姓名 |
|
※ 檢 查 員
簽 章 |
||||||||||||||||||||||||||||||||
|
※ 水壓試驗壓力 |
kg/cm2 |
|||||||||||||||||||||||||||||||||
|
※ 檢 驗 地
址 |
|
|
||||||||||||||||||||||||||||||||
|
※ 檢 驗 日
期 |
民國 |
|
年 月 |
|
日 |
|
|
|
|
|||||||||||||||||||||||||
|
備 註 |
|
|||||||||||||||||||||||||||||||||
註:1.「胴體縱接合法及其效率」欄內,如有孔穴群時,其效率亦請併記。
2. 「安全閥」欄之「種類」請記入彈簧(複、單)式或槓桿(槓桿彈簧)式,「型 式」請記入低揚程、高揚程、全揚程或全量式,除低揚程者外、應檢附其構造圖。
3.
※號欄內申請人請勿填寫。
![]()
( )竣工檢查申請書 編號: 使用單位名稱 電 話聯絡人 裝 設 地 址 型式及名稱 傳熱面積 m2 構造或重新檢查 合格號碼 最高使用壓力 Kg/㎝2 最 高 使 用 溫 度 ℃ 內 容 積 m3 內容物名稱 有
無 毒 性 製造廠名及製造年月 民國 年 月 製造 希望受檢日期 中華民國 年 月 日 備 註 此致 (檢查機構全銜) 申 請 人: 印 地 址: 中 華 民 國 年 月 日 註:1.應附構造或重新檢查合格證件。 2. 檢查機構地址。 3. 本表括號部分,請依鍋爐、第一種壓力容器、高壓氣體特定設備等種類 填入一種。
附表三十七 竣工檢查申請書
附表三十八
|
合格證 |
第 |
|
|
|
號 |
鍋爐竣工檢查結果報告表 |
編 |
號 |
|
|||||||||||||||||||||||||||||
|
民國 |
年 |
月 |
|
日發給 |
業 |
別 |
|
|||||||||||||||||||||||||||||||
|
事業單位名稱 |
|
負責人 |
|
|||||||||||||||||||||||||||||||||||
|
事業單位地址 |
|
電 |
話 |
|
||||||||||||||||||||||||||||||||||
|
型 |
式 |
|
最高使用壓力 |
kg/cm2 |
||||||||||||||||||||||||||||||||||
|
構 造 或 重 新 檢查打印號碼 |
|
人 孔 、 |
人 |
孔 |
㎜ 個 |
|||||||||||||||||||||||||||||||||
|
鍋爐構造 |
傳 熱 面 積 |
m2 |
掃 除 孔 |
掃除孔 |
㎜ 個 |
|||||||||||||||||||||||||||||||||
|
火 床 面 積 |
m2 |
燃燒室體積 |
m3 |
、檢查孔 |
檢 查 孔 |
㎜ 個 |
||||||||||||||||||||||||||||||||
|
胴 |
|
體 |
最 大內 徑 |
㎜ |
材料 |
|
水 管 (熱媒管) |
材 |
料 |
㎜x ㎜(厚) |
||||||||||||||||||||||||||||
|
|
||||||||||||||||||||||||||||||||||||||
|
長 度 |
㎜ |
煙 |
管 |
材 |
料 |
㎜x ㎜(厚) |
||||||||||||||||||||||||||||||||
|
|
||||||||||||||||||||||||||||||||||||||
|
|
||||||||||||||||||||||||||||||||||||||
|
板 厚 |
㎜ |
|
材 |
料 |
|
形狀 |
|
|||||||||||||||||||||||||||||||
|
|
集 管 器 |
|||||||||||||||||||||||||||||||||||||
|
端板或管板 |
形 狀 |
|
材料 |
|
內 徑 或 寬×高 |
㎜x ㎜x ㎜ |
||||||||||||||||||||||||||||||||
|
板 厚 |
㎜ |
過 熱 器 |
形 |
管外徑 |
㎜ |
材料 |
|
|||||||||||||||||||||||||||||||
|
|
||||||||||||||||||||||||||||||||||||||
|
|
形 狀 |
㎜ |
材料 |
|
節 煤 器 |
形 |
管外徑 |
㎜ |
|
|||||||||||||||||||||||||||||
|
爐筒或火室 |
最 大內 徑 |
㎜ |
安 全 閥 |
|
|
|
式 |
|
|
型 |
㎜ 個 |
|||||||||||||||||||||||||||
|
|
板 厚 |
㎜ |
水位測定 裝 置 |
個,探水栓 個 |
||||||||||||||||||||||||||||||||||
|
補 |
|
強 |
種類 ( |
|
|
)承托方法( ) |
自 動 控制 |
|
||||||||||||||||||||||||||||||
|
胴體縱接頭種類及效率 |
|
製 造 廠及 |
年 月 |
|||||||||||||||||||||||||||||||||||
|
給 水 裝 置 |
|
燃 |
料 |
|
|
油 |
|
|
煤炭 |
|
瓦斯 其他 |
|||||||||||||||||||||||||||
|
給 水 預 熱 器 |
|
燃 燒 方 法 |
|
|||||||||||||||||||||||||||||||||||
|
空 氣 預 熱 器 |
|
摘 |
要 |
|
||||||||||||||||||||||||||||||||||
|
淨 水 裝 置 |
|
|||||||||||||||||||||||||||||||||||||
|
|
記 |
|
|
|
|
|
事 |
|
|
|
|
欄 |
|
|
|
判 定 |
||||||||||||||||||||||
|
檢 |
查 |
日 |
期 |
|
|
|
檢 |
|
|
|
查 |
|
結 |
|
|
|
果 |
|
|
合格 |
|
不合格 |
||||||||||||||||
|
年 |
竣 |
安裝 |
位 置 |
|
安 全 閥 |
|
安全閥調整壓力: |
|
kg/cm2 |
|||||||||||||||||||||||||||||
|
基 礎 |
|
壓 力 表 |
|
備 |
考 |
|
|
|
|
|
||||||||||||||||||||||||||||
|
|
|
檢查員 |
||||||||||||||||||||||||||||||||||||
|
|
方 法 |
|
磚 |
灶 |
|
|
||||||||||||||||||||||||||||||||
|
|
月 |
|
日 |
工 |
|
|||||||||||||||||||||||||||||||||
|
|
|
|
|
|
|
水 位 測 定 裝 置 |
|
|
|
|||||||||||||||||||||||||||||
|
有 |
效 |
期 |
限 |
|
煙 煙 |
|
囪 道 |
各主 |
級 管 |
|||||||||||||||||||||||||||||
|
檢 |
||||||||||||||||||||||||||||||||||||||
|
自 |
月 |
|
年 日 |
操作人員 |
選 任 |
|
自 動 控制 裝 置 |
|
||||||||||||||||||||||||||||||
|
|
||||||||||||||||||||||||||||||||||||||
|
至 |
月 |
|
年日 |
查 |
|
|
|
|||||||||||||||||||||||||||||||
|
資 格 |
|
附 裝 |
屬 置 |
|
||||||||||||||||||||||||||||||||||
|
|
||||||||||||||||||||||||||||||||||||||
|
||||||||||||||||||||||||||||||||||||||
( )檢查合格證 第 號 事業單位名稱 設
置 地 址 型 式 最高使用壓力 kg/cm2 傳 熱 面 積 或 內 容 積 m2,m3 製 造 廠 及製 造 年 月 編 號 構造或重新檢查合格打印號碼 檢
查 日 期 有 效 期 限 檢
查 員 簽 章 年 月 日 自 年 月 日至 年 月 日 年 月 日 自 年 月 日至 年 月 日 年 月 日 自 年 月 日至 年 月 日 年 月 日 自 年 月 日至 年 月 日 年 月 日 自 年 月 日至 年 月 日 年 月 日 自 年 月 日至 年 月 日 年 月 日 自 年 月 日至 年 月 日 年 月 日 自 年 月 日至 年 月 日 中 華 民 國 年 月 (檢查機構全銜)日
附表三十九 檢查合格證
(正 面)
日 期 記 事 檢
查 員 簽 章 年 月 日 年 月 日 年 月 日 年 月 日 年 月 日 年 月 日 年 月 日 年 月 日
附表三十九 檢查合格證(反面)
(背 面)
附表三十九之一 檢查合格證(正面)
高壓氣體容器固定於車輛(鐵路車輛除外)者之檢查合格證依本表格式核發
(正面)
容 所 有 器 人 登 地 錄 址 引擎號碼/ 車身架號碼 罐槽車別 □貨車□半拖車□全拖車 型式 灌 裝 內容物 編號 容器材料 構造或重新檢查 合格打印號碼 容 器 淨質量 ㎏ 製造人 內容積 m3 製造年月 年 月 最 高 使用壓力 Kg/cm2 檢查日期 年 月 日 檢查地點 有效期限 自
年 月 日至 年 月 日 檢查員 簽 章 記事
附表三十九之一 檢查合格證(背面)
(背面)
附表四十 定期檢查申請書
|
( |
|
|
)定期檢查申請書 |
編號: |
|
|
|
|
||||
|
事業單位名稱 |
|
|||||||||||
|
裝 |
設 |
地 |
址 |
|
|
(聯絡人: (電 話: |
|
|
|
|
) ) |
|
|
型 式 及 名稱 |
|
合格證字號 |
|
|||||||||
|
編 |
|
號 |
|
檢查合格證 有 效 期 限 |
自至 |
年年 |
月月 |
|
日日 |
|||
|
最 用 |
高 壓 |
使力 |
Kg/cm2 |
最 高 使 用 溫 度 |
℃ |
內 容 積 |
m3 |
|||||
|
內容 物 名稱 |
|
有無毒性 |
|
傳熱面積 |
m2 |
|||||||
|
希 檢 |
望日 |
受期 |
中華民國 |
年 |
月 |
|
|
日 |
|
|||
|
此 致 (檢查機構全銜) 事業單位名稱 : 印 地 址 : 中 華 民 國 年 月 日 註:1.檢查機構地址。 2.本表括號部分,請依鍋爐、第一種壓力容器、高壓氣體特定設備、高壓 氣體容器等之種類填入一種。 |
||||||||||||
合
格 證 號 碼 收
發 文 字 號 檢 查 日 期 鍋
爐 編 號 有 效 期 限 業 別 事業單位名稱 裝 設 地 址 鍋 爐 型 式 構造檢查號碼 傳 熱 面 積 m2 最高使用壓力 kg/cm2 檢查別 檢 查 內 容 檢 查 結 果 檢 查 內 容 檢 查 結 果 內部檢查 1. 腐 蝕 5.接 頭 2. 溝 蝕 6.支 撐 3. 龜 裂 7.給水內管 4. 水 垢 8.其 他 外部檢 查 1. 腐 蝕 8.磚 灶 2. 洩 漏 9.爆 發 門 3. 過熱變形 10.瓦斯通路 4. 龜 裂 11.安裝基礎 5. 接 頭 12.保護材料 6. 管 端 13.保溫材料 7.
燃 燒 口 14.其 他 附屬品及裝 置 1. 安 全 閥 5. 給 水 裝 置 2. 水 位 計 6.過熱器、節煤器 3. 壓 力 錶 7.自動控制裝置 4. 沖 放 裝 置 8.其 他 記 事 檢查結果之判定 合格 限制合格 不合格 有異狀時之記載: 合格操作人員 □有 □無 檢
查 員 附註 1.
檢查員應就各項檢查內容逐一詳細檢查,並將檢查結果記錄於結果欄內,如正常或無異狀者打「ˇ」,無該項目者打 「/」。 2.
安全閥或壓力表等有變動者,應註明變動後之規格。 3.
判定不合格者,受檢單位應即改善申請複檢。 4. 本表一式二份,一份檢查機構留存,一份受檢單位留存。 各級主管 依分層負責規定授權主管決行
附表四十一
初檢/複檢 鍋爐定期檢查結果報告表
( )重新檢查申請書 編號: 型式及名稱 傳 熱 面 積 m2 最高使用壓力 Kg/cm2 最 高 使 用 溫 度 ℃ 內 容 積 m3 內容物名稱 有 無 毒 性 受檢設備經歷 概 要 重新檢查原 因 受 檢 地 址 (聯絡人: (電 話 : ) ) 希望受檢日期 中華民國 年 月 日 備 註 此 致 (檢查機構全銜) 申請人: 印 地 址: 中 華 民 國 年 月 日 註:1.檢查機構所在地址。 2.本表括號部分,請依鍋爐、第一種壓力容器、高壓氣體特定設備、高壓 氣體容器等之種類填入一種。
附表四十二 重新檢查申請書
農豐實業有限公司
瓦斯
、柴油鍋爐操作流程說明手冊